搜索

 

0757-26627835

13652922049 (刘总)

关于特殊曲线在数控车削中如何进行编程

浏览: 发表时间:2017-05-06 16:18:52

关于特殊曲线在数控车削中如何进行编程,做了五期期视频。但应部分读者的要求,今天我以图文的形式,如何对特殊曲线进行编程,以椭圆和抛物线为例,把程序进行简单梳理下,不会的建议都看看!

利用数控系统提供的变量、数学运算功能、逻辑判断、条件转移等功能编写的加工程序,咱们称为宏!
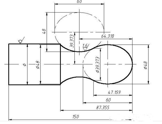
以该图为例,讲解椭圆编程的两种加工体例:直线方程和参数方程。

1523846099960082385.jpeg


全 国 统 一 服 务 热 线 :

0757-26627835   刘总  13652922049


关于我们       产品中心       新闻动态       行业应用       客户留言       联系我们

版权所有(C) 佛山市顺德区力浩数控车床设备有限公司      

添加微信好友,详细了解产品
使用企业微信
“扫一扫”加入群聊
复制成功
添加微信好友,详细了解产品
我知道了